| key | PART NO. | PART NAME | QTY | SERIAL NO. | REMARKS | |
|---|---|---|---|---|---|---|
| 1 | BA30300 | Бак | 1 | 
| key | PART NO. | PART NAME | QTY | SERIAL NO. | REMARKS | |
|---|---|---|---|---|---|---|
| 1 | A72315 | Коленчатый патрубок | 1 | |||
| 2 | M122991 | Крышка заливной горловины | 1 | ORDER AA92304 | ||
| AA92304 | Крышка | 1 | ||||
| 3 | AA57287 | Крепежный ремень | 2 | |||
| 4 | AA55847 | Перегородка | 1 | |||
| 5 | A78557 | Трубка | 1 | |||
| 6 | A37537 | Шар | 1 | |||
| 7 | ...... | Шланг | 1 | CTL 2440 mm, MF TY24415 | ||
| 8 | A37578 | Поплавок | 1 | |||
| 9 | A78364 | Обвязной хомут | 1 | |||
| key | PART NO. | PART NAME | QTY | SERIAL NO. | REMARKS | |
| 10 | 14M7415 | Гайка | 4 | M12 | ||
| 11 | AA62017 | Бак | 1 | |||
| 12 | AA53803 | Фитинг | 2 | |||
| 13 | AA63022 | Рама | 1 | |||
| 14 | A74054 | Крепление со штифтом | 4 | |||
| 15 | 14M7299 | Фланцевая гайка | 16 | M12 | ||
| 16 | 19M7387 | Винт с головкой | 12 | M12 X 40 | ||
| 17 | 19M7866 | Винт | 1 | M8 X 20 | ||
| 18 | AH130222 | Скоба | 1 | |||
| 19 | 14M7298 | Фланцевая гайка | 1 | M8 | ||
| key | PART NO. | PART NAME | QTY | SERIAL NO. | REMARKS | |
| 20 | A79207 | Трубная заглушка | 1 | |||
| 21 | AA62655 | Опора | 2 | |||
| 22 | A68785 | П-образный болт | 4 | 227 Wide X 360 Long | ||
| 23 | 14M7300 | Фланцевая гайка | 8 | M20 | ||
| 24 | 19M7285 | Винт с головкой | 2 | M12 X 30 | ||
| 25 | A71780 | Кронштейн | 1 | |||
| 26 | 14M7275 | Гайка | 2 | M12 | 
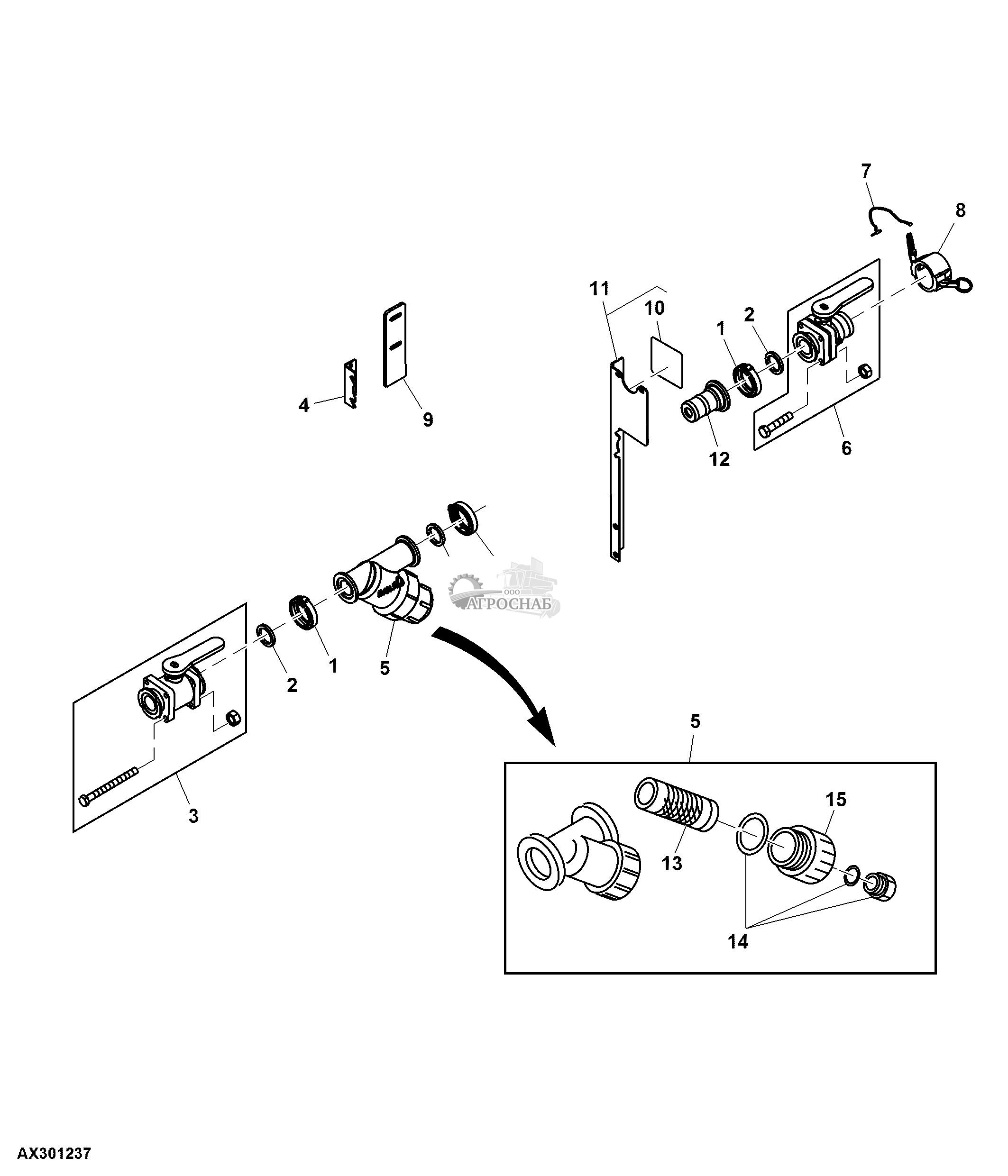
| key | PART NO. | PART NAME | QTY | SERIAL NO. | REMARKS | |
|---|---|---|---|---|---|---|
| 1 | AA46330 | Скоба | 6 | |||
| 2 | A61734 | Шайба | 6 | |||
| 3 | AA44814 | Поплавковый клапан | 2 | |||
| 4 | A61542 | Пластина | 1 | |||
| 5 | AA43115 | Сетчатый фильтр | 1 | |||
| 6 | AA44813 | Поплавковый клапан | 1 | |||
| 7 | A59122 | Стопор | 1 | |||
| 8 | AA46890 | Фитинг | 1 | |||
| 9 | A90299 | Пластина | 1 | |||
| 10 | A53349 | Предупредительные знаки | 1 | |||
| key | PART NO. | PART NAME | QTY | SERIAL NO. | REMARKS | |
| 11 | AA59462 | Кронштейн | 1 | |||
| 12 | A75085 | Фитинг | 1 | |||
| 13 | AA40216 | Фильтр | 1 | 80 Mesh | ||
| AA40215 | Фильтр | 1 | 50 Mesh | |||
| 14 | AA40210 | Комплект уплотнений | 1 | |||
| 15 | AA40159 | Фитинг | 1 | 
| key | PART NO. | PART NAME | QTY | SERIAL NO. | REMARKS | |
|---|---|---|---|---|---|---|
| 1 | BA32239 | Комплект коллектора | 1 | 
| key | PART NO. | PART NAME | QTY | SERIAL NO. | REMARKS | |
|---|---|---|---|---|---|---|
| 1 | AA77034 | Коллектор | 1 | |||
| 2 | A91608 | Заглушка | 8 | |||
| 3 | A91873 | Крышка | 1 | 
| key | PART NO. | PART NAME | QTY | SERIAL NO. | REMARKS | |
|---|---|---|---|---|---|---|
| 1 | AA77060 | Обратный клапан | 1 | |||
| 2 | A91476 | Жиклер | 1 | 1.2 mm Yellow | ||
| A91475 | Жиклер | 1 | 0.7 mm Green | |||
| A91477 | Жиклер | 1 | 1.7 mm Black | |||
| A91478 | Жиклер | 1 | 2.5 mm Gray | |||
| 3 | AA77328 | Жиклер | 1 | Push Coupler | ||
| 4 | AA77934 | Инструмент | 1 | Tool for Orifice Removal | ||
| 5 | A108673 | Кожух | 1 | 
| key | PART NO. | PART NAME | QTY | SERIAL NO. | REMARKS | |
|---|---|---|---|---|---|---|
| 1 | BA33658 | Каталог нав. оборудования | 1 | SUB FOR BA32912 | 
| key | PART NO. | PART NAME | QTY | SERIAL NO. | REMARKS | |
|---|---|---|---|---|---|---|
| 1 | 14M7397 | Стопорная гайка | 2 | M6 | ||
| 2 | M136173 | Стопорная гайка | 2 | M4 | ||
| 3 | 19M8092 | Винт | 2 | M6 X 50 | ||
| 4 | A102158 | Кронштейн | 1 | |||
| 5 | A110166 | Направляющая | 1 | SUB FOR A102159 | ||
| 6 | 19M7752 | Винт с головкой | 2 | M4 X 20 | 
| key | PART NO. | PART NAME | QTY | SERIAL NO. | REMARKS | |
|---|---|---|---|---|---|---|
| 1 | 14M7260 | Гайка | AR | M16 | ||
| 2 | A59020 | Уголок | AR | |||
| 3 | 14M7303 | Фланцевая гайка | AR | M6 | ||
| 4 | A94657 | Труба | AR | |||
| 5 | AH77724 | Зажимная скоба | AR | |||
| 6 | A74736 | Упаковка | 4 | |||
| 7 | PMM100CR | Фитинг | 1 | |||
| 8 | PM10075BRB90 | Коллектор | 2 | |||
| 9 | A91568 | Фитинг | 1 | |||
| 10 | PMM100MPTSS | Фитинг | 1 | |||
| key | PART NO. | PART NAME | QTY | SERIAL NO. | REMARKS | |
| 11 | AA57989 | Скоба | 4 | |||
| 12 | A91805 | Инструмент | 1 | |||
| AA77934 | Инструмент | 1 | Hose Line Plier | |||
| 13 | 19M7784 | Винт | AR | M10 X 20 | 
 
  
  
  
  
  
  
  
 